淀川つつみ市 ミナモ十三 Juso Bank Market 屋台村 出展者募集! 淀川つつみ市 ミナモ十三 Juso Bank Market 屋台村 出展者募集!

屋台村 出店者募集!

コンセプトCONCEPT

大阪の食文化の発信基地として
地元・観光客両方に愛される日本一の屋台村を目指す!

古くからの水運の要所・十三の河川敷で事業を行い、十三エリアを楽しめる空間を創出

阪急電車3路線が乗り入れる十三駅に近く、地域の人から観光客まで気軽に立ち寄れる 小規模区画の屋台と、
多世代で楽しめるBBQ・自然体験教室 ・イベントスペース・舟運 により構成されます。

豊かな緑と水辺、太陽の光や風を感じられる開放的な空間から広がる賑わいや活気をつくり、
地域の人々の交流拠点となることで十三エリア一体の魅力を更に高めます。

強みSTRONG POINT

圧倒的なロケーション・アクセス

本敷地は、阪急電車や舟運からの視認性が良く、太陽と風を感じる居心地の良い河川敷で、誰もが「行きたくなる」場所です。淀川越しに一望できる梅田の夜景も美しく、時間を問わず、さまざまな表情を見せてくれます。
私たちは、今後さらに広域から人が集まる十三の新しい玄関口として、にぎわいと豊かな自然を感じる顔を作ります。

また、淀川花火大会の打ち上げ場所も程近く夏にはさらに魅力的な場所になります。

圧倒的なロケーション・アクセス

これからのまちづくりビジョン

これからのまちづくりビジョン

阪急阪神不動産のタワーマンション、図書館、専門学校など、若い世代の流入に繋がる動きが活発に!さらに、なにわ筋線の開通で、関西国際空港や新大阪駅とのアクセス性も向上。

若い世代やインバウンド客を中心に、さらに広域から人が集まる十三の、新しい玄関口としてにぎわいと豊かな自然を感じる顔を作ります。

これからのまちづくりビジョン

屋台としての条件

一般的な屋台の場合 …

  • 毎日設営・撤去
  • 屋台用の駐車場や別途 仕込み場が必要
  • リヤカーベースの為、冷蔵庫等は屋台外に設置
  • 露店営業のため、生ものや米飯の提供は禁止
  • 許可を受けた本人しか営業できない
  • 歩道にテーブルやイスなどを設置できない

今回のプロジェクトでは …

  • 毎日撤去の必要なし

    ※但し行政指導に基づき移動させる必要あり

  • 店内で仕込みが可能

    コンテナ仕様の為、店内に厨房機器の設置が可能

  • 飲食店として営業許可が取得可能

    飲食店の設備を備えている為、生ものや米飯の提供が可能に

  • 契約者本人でなくても営業可能

    契約者が常駐営業しなくてもOK

  • 屋台前に客席設置が可能

    契約範囲内であれば、客席の増設もOK

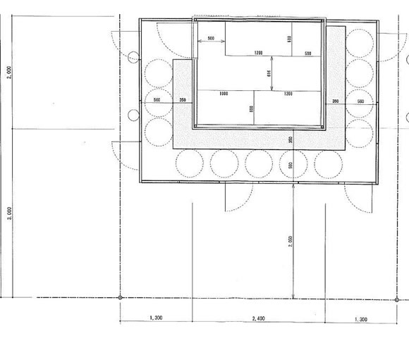
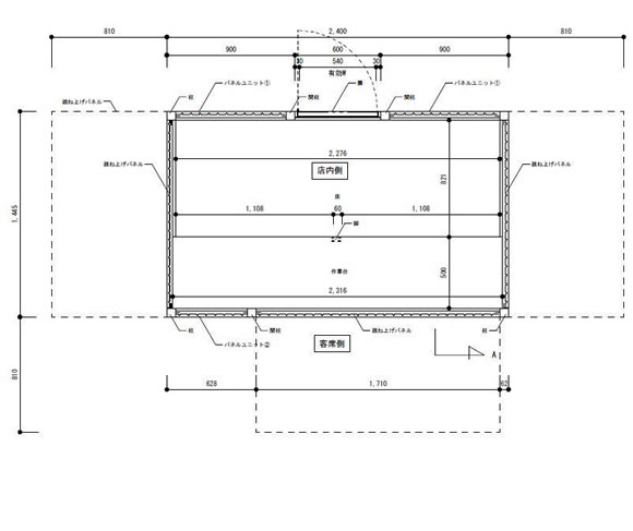
契約エリアについてAREA

敷地面積 W 5000 × D 6700 = 33.5㎡
屋台サイズ 屋台A:W2400 × D1450
屋台B:W2400 × D2000
屋台A
屋台B

事業体制BUSINESS STRUCTURE

事業体制

会社概要COMPANY

会社名 株式会社RETOWN
所在地 大阪府大阪市生野区桃谷 5-5-37
いくのパーク講堂棟 3F
事業内容 ・ローカルデベロッパー事業・外食関連事業・教育関連事業

スケジュールSCHEDULE

スケジュール

TOP